
10余年专业微型泵制造
产品展示
产品分类
Product Catalog
场景优势
气体分析仪场景,不同检测原理对流量变化敏感度高,稳定流量是前提:
(1)红外吸收法:流量波动会改变气体分子对红外光的吸收强度,导致浓度测量值偏离真实值...
(2)电化学法:流量不稳会影响反应物质的扩散速率,导致信号强度波动,降低测量精度...
(3)光声光谱法:流量波动会改变光声信号的强度,导致噪声增加,降低检测限...
场景优势
气体分析仪场景,不同检测原理对流量变化敏感度高,稳定流量是前提:
(1)红外吸收法:流量波动会改变气体分子对红外光的吸收强度,导致浓度测量值偏离真实值...
(2)电化学法:流量不稳会影响反应物质的扩散速率,导致信号强度波动,降低测量精度...
(3)光声光谱法:流量波动会改变光声信号的强度,导致噪声增加,降低检测限...
产品优势

微型气泵FLY无刷标准版产品实物图

微型气泵FLY低噪标准版产品实物图

微型气泵FLY经济版产品实物图

微型气泵FLY螺纹接头产品实物图
稳流无脉动微型气泵FLY
1、【场景优势】
1)气体分析仪场景,不同检测原理对流量变化敏感度高,稳定流量是前提:
(1)红外吸收法:流量波动会改变气体分子对红外光的吸收强度,导致浓度测量值偏离真实值...
(2)电化学法:流量不稳会影响反应物质的扩散速率,导致信号强度波动,降低测量精度...
(3)光声光谱法:流量波动会改变光声信号的强度,导致噪声增加,降低检测限...
2)工业过程气体分析:微型气泵流量随时间衰减,导致样品传输量减少,测量值偏低,无法及时反映工艺参数的变化,影响生产控制;
3)环境监测:流量不稳定会导致不同时间点的采样浓度不一致,无法准确评估污染物排放趋势...
FLY系列稳流微型气泵,流量稳定性很高(平均流量=峰值流量,几乎无脉动)、高品质无刷电机,7X24小时昼夜不停运转,帮您解决以上痛点!
2、【设计结构、寿命优势】
1)气体分析仪中,目前行业内为解决微型气泵流量不稳的方案,效果也不尽如人意:
(1)“稳流器+泵”方案-导致整体体积较大;
(2)泵内集成谐振隔膜形成双腔互补-成本高、同体积下参数低得多,脉动性虽有所减弱但仍与5腔体泵差距明显...
FLY系列稳流微型气泵,独特的5腔体设计,流量稳定性远超单腔、双腔甚至3腔泵(参见流量实测曲线图),较好的解决了以上问题;
2)FLY标准版、品质版搭配全新升级的高强度承载等结构、大幅度提升强度的膜片,大大增加了泵在重载下的寿命:标准版满载寿命可达8000小时,未来的品质版寿命进一步提升...
3、【功耗、噪音优势】:
1)FLY系列稳流微型气泵,实测平均流量相同、其它参数尽量接近的情况下,仅为体积接近单腔泵的67%,更利于电池驱动,使用时间更长;
2)FLY系列低噪版集成消音器,在体积增大不多情况下,同时降低了空载噪音和负载噪音;非低噪版进一步降低了空载噪音;
3)FLY经济版可在MAX安全输出压力和MAX负压下可靠重启;其他版本可在极限输出压力和MAX负压下可靠重启(搭配我司推荐电源下);
4、米兰官网稳流微型气泵FLY,系米兰官网结合10余年微型泵生产、研发经验,深入调研气体分析仪等对“流量稳定性”有很高要求等典型场景,解决气体流量脉动性而推出的“稳流”型高品质微型气泵!
5、米兰官网稳流微型气泵FLY,提供1.5-4LPM的峰值/平均流量、-15~-35kPa负压、20-55kPa正压,目前可部分取代原有的单腔泵SVLC/SVLK,且价格更低!
6、米兰官网稳流微型气泵FLY,自带PWM调速、FG电机转速反馈、信号启停控制功能,配合PLC、单片机、信号发生器等上位机,可实现闭环控制,非常适合仪器或工业自动控制;
7、米兰官网稳流微型气泵FLY,已推出:经济版、标准版、低噪音标准版,未来会推出简化版、品质版,流量稳定同时兼顾不同客户对成本、噪音、性能、长寿命的不同要求,总有一款适合您!
8、允许介质富含水汽(详见介质要求),可昼夜不停长期连续运转,无油无污染、免维护;
9、抽、排气端都可带大负载,甚至堵死也属于正常工作(经济版除外);对控制电路几乎无干扰!
关键参数
1、FLY系列标准电压参数(表1):
型号 | 额定电压 (V DC) | 负载 电流 (A) | 功率 | 流量(L/min) | MAX相对真空度 (kPa) | MAX输出压力 (kPa) | 极限输出 | |
|---|---|---|---|---|---|---|---|---|
(W) | 峰值流量 | 平均流量 | ||||||
FLYM1-AH4EA-PB2 | 12 | ≤0.3 | ≤3.6 | ≥4.0 | ≥4.0 | ≥-35 | 55 | 55 |
FLYM1-AH4EA-PB4 | 24 | ≤0.15 | ||||||
FLYN1-AH4EA-PB2 | 12 | ≤0.3 | ≤3.6 | ≥3.5 | ≥3.5 | ≥-35 | 55 | 55 |
FLYN1-AH4EA-PB4 | 24 | ≤0.15 | ||||||
FLYS1-AH4EA-PE2 | 12 | ≤0.3 | ≤3.6 | ≥1.5 | ≥1.5 | ≥-15 | 20 | 20 |
FLYS1-AH4EA-PE4 | 24 | ≤0.15 | ||||||
FLYM1-AH4EA-PE2 | 12 | ≤0.3 | ≤3.6 | ≥4.0 | ≥4.0 | ≥-35 | 20 | 55 |
FLYM1-AH4EA-PE4 | 24 | ≤0.15 | ||||||
FLYx1-AM6EA-Pxx | 以上所有FLY型号均可配备内螺纹气咀M6(H4改为M6即可),参数与H4型号一致。 | |||||||
对比:标准大气压 | 0 | 0 | 0 | |||||
★特别说明:本表格参数为正式上市前工程样机预览参数,仅供参考,正式参数可能调整;
2、FLY系列启动电流、噪音、重量(表2):
型号 | 额定电压 (V DC) | 启动电流 (A) | 空载噪音 dB(A) | 主机重量 (g) |
|---|---|---|---|---|
FLYM1-AH4EA-PB2 | 12 | ≤4.5 | 约50 | 约150 |
FLYM1-AH4EA-PB4 | 24 | ≤3.0 | ||
FLYN1-AH4EA-PB2 | 12 | ≤4.5 | 约52 | 约190 |
FLYN1-AH4EA-PB4 | 24 | ≤3.0 | ||
FLYS1-AH4EA-PE2 | 12 | ≤5.0 | 约62 | 约150 |
FLYS1-AH4EA-PE4 | 24 | ≤3.0 | ||
FLYM1-AH4EA-PE2 | 12 | ≤4.5 | 约68 | 约150 |
FLYM1-AH4EA-PE4 | 24 | ≤3.0 | ||
FLYx1-AM6EA-Pxx | 以上所有FLY型号均可配备内螺纹气咀M6(H4改为M6即可),细节与H4型号一致。 | |||
【注意】:
1、所有规格均使用直流电源。所需电池或直流稳压电源为选配件,客户需自行配备,或也可从我公司购买定做好的电源。。
2、*MAX安全输出压力-代表允许使用压力,超出上述压力值使用将导致微型泵寿命缩短。
3、*极限输出压力-仅代表该微型气泵的瞬间输出正压能力,不代表能安全的使用!
4、该系列微型泵启动电流稍大,为保证泵的正常运转,建议所配直流稳压电源“过流保护电流”:
1)FLYx1-Axxxx-Px2应超过5A,例如 12V5A以上;
2)FLYx1-Axxxx-Px4应超过3A,例如 24V3A以上;
客户配备的开关直流电源(过载能力要强);否则可能造成泵达不到额定参数、无法启动甚至烧毁!(注意,此类故障不属于正常质保范围!),强烈推荐我司专门定做的12V5A/24V3A电源。
5、输入电压要求(额定电压):12V±10%、 24V±5%;
6、【型号及代号说明】:
1)F—抽打两用微型气泵(也叫微型打气泵)系列;LY是内部编号
2)M—中流量,N-低噪音,S-小流量;
3)1—单泵头;
4)A—无刷电机A型(标配),B—无刷电机B型(可能未来推出);
5)H4—4mm宝塔接头(标配外接内径4mm软管);M6-M6内螺纹接头;
6)EA—默认材质组合:EPDM隔膜、阀片及PA泵头;
7)控制方式:P-无刷电机PWM调速控制;
8)版本简述:J—简化版,B—标准版,E-经济版;
9)工作电压:4-24V DC,2-12V DC,从F40开始,微型泵型号不再出现类似描述:“XXX-24V/XXX-12V” !
7、版本对比:
FLY系列目前根据不同电机配置、品控要求的不同等分为3个版本:简化版(简称J)、标准版(简称B)、经济版(简称E);分别用对应“J”、“B”、“E”表明。订购时,请一定注明具体版本后缀及代码!
8、如无特别说明,技术参数均是在20℃、标准大气压101.325kPa的条件下的测定值。对于其它参数规格的产品,可以联系定做。
9、表中峰值流量是指用玻璃转子流量计(去掉了针型阀)测得的流量值,平均流量是用皂膜流量计测得的流量值(推荐以平均流量为准);通常不建议使用质量流量计进行测量(若一定要用,建议:至低需要每10ms采样1次,也即每秒采样100次,否则可能因采样频率过低等原因,造成较大误差(这不是微型泵的问题))。
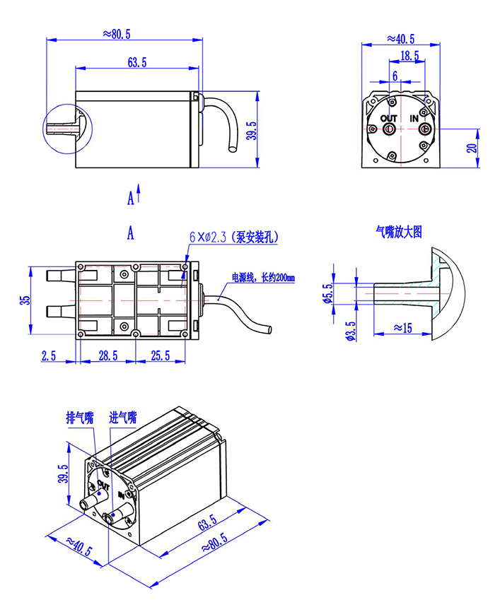
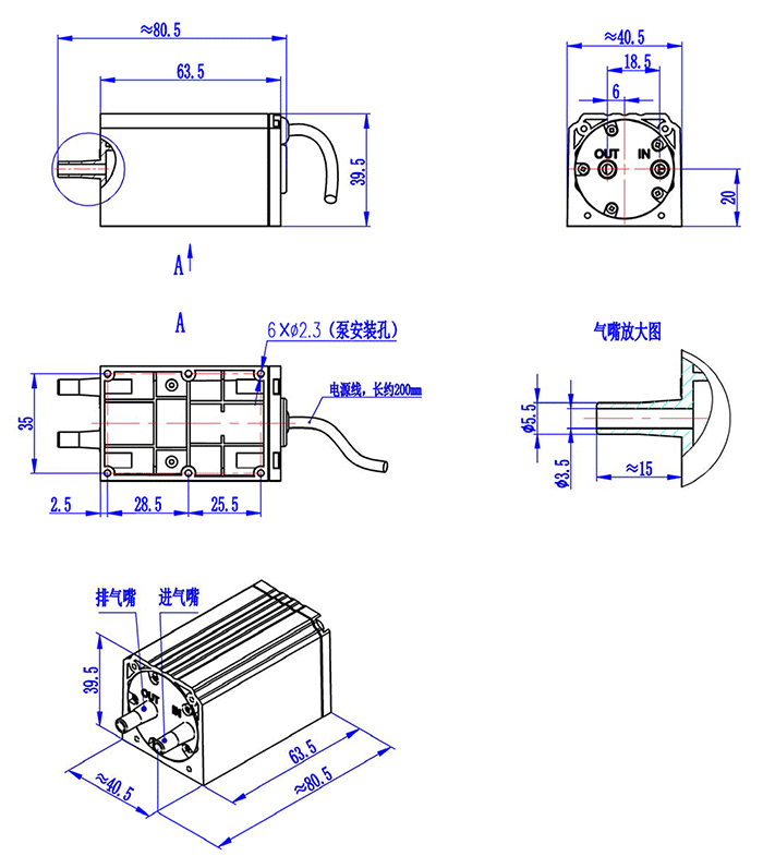
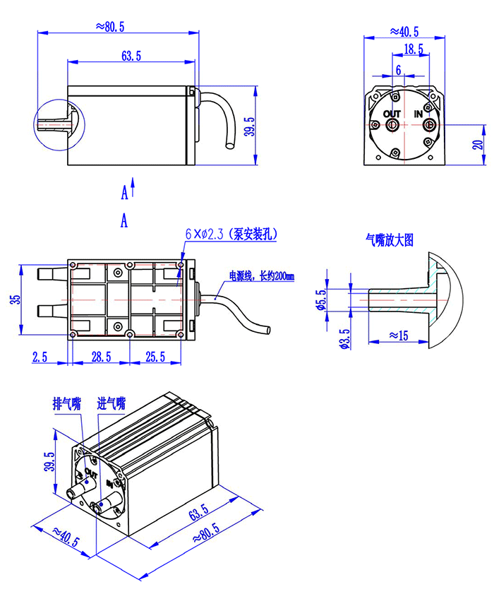
10、【体积、接管】:
1)泵体积(长×宽×高,包容尺寸,单位mm)及重量;
(1)FLYM1/S1-AH4EA-xxx:约80.5×40.5×39.5、重约150g;
(2)FLYN1-AH4EA-xxx:约105.5×40.5×39.5、重约190g;
(3)FLYx1-AM6EA-Pxx:约73.5×40.5×39.5、重约147g;
2)建议接管(mm):默认H4接头建议接内径4外径8mm硅胶管;定做M6内螺纹接头,建议接M6外螺纹形式的快插接头;
3)抽排气嘴有指示:in、out;使用前必须将抽排气嘴上盖的红色防尘帽取下,才能通电让泵启动。
版本说明
性能 | 经济版 | 标准版 | 低噪标准版 |
寿命 | ★ | ★★★ | ★★★ |
噪音 | ★ | ★★ | ★★★ |
可靠性 | ★ | ★★★ | ★★★ |
参数一致性 | ★ | ★★★ | ★★★ |
抗电磁干扰 | ★★ | ★★★ | ★★★ |
工作环境温度 | 0℃ ~ 40 ℃ | -10℃ ~ 50 ℃ | -10℃ ~ 50 ℃ |
过载保护 | √ | √ | √ |
过流保护 | × | × | × |
反接保护 | × | × | × |
注:
1、★越多,代表此项性能越好;以上对比不代表简化版不好,仅供客户直观对比参考,特此说明!
2、特别说明:上表中,噪音高低与★成反比(即★越多代表噪音越低、越好):所以噪音分贝数从理论上来说,品质版<低噪标准版<标准版<简化版<简化版(个体差异除外);详询客服。
3、噪音处理:
(1)经济版没有做任何降噪处理。
(2)标准版在内部加了降噪,只能降低空载噪音,但加一定负载后噪音会增加。
(3)通过集成消音器措施,同时降低了空载噪音和负载噪音。
虽然生产装配时,米兰官网要求微型泵品质越高,噪音数值应越低,但因噪音受零配件个体差异、环境、测试仪器等多种因素影响,故对于“微型泵噪音”,米兰官网不做为质量承诺指标,购买方不能以此做为质量验收标准,敬请谅解!
寿命说明
系列 | 寿命值(小时) | 经济版 | 标准版 | 低噪标准版 |
FLY | 满载寿命 | >3500 | >8000 | >8000 |
空载寿命 | >6000 | >12000 | >12000 | |
电机寿命 | >8000 | >15000 | >15000 |
产品寿命测试说明:
1、满载寿命测试工况:除了FLYM1-AH4EA-PE2/4经济版是抽气口直通大气,排气口带正压20kPa外,其他版本封堵泵排气口,抽气口直通大气,使泵工作MAX安全输出压力(正压)工况下,24小时不停机连续运转;
2、*代表设计样机参数,正式产品寿命正在测试中。
3、空载寿命测试工况:泵抽气口、排气口直通大气,使泵工作在常压下,24小时不停机连续运转;
4、电机寿命测试工况:在良好通风及散热的条件下,电机不带负载24小时不停机连续运转;
5、寿命测试环境条件:在清洁无腐蚀实验室内,环境温度5~33℃随气候波动,环境相对湿度50%~85%,随气候波动;
6、实验数据来源:米兰官网公司、原材料供应商实验室。
工况环境
1、环境:
经济版环境温度:0℃ ~ 40 ℃(无结露);其他版本环境温度:-10℃ ~ 50 ℃(无结露);
环境相对湿度:≤90% ;泵不宜在室外日晒,应在清洁、通风的环境中工作。
2、介质:输送介质气体允许富含水汽,但必须无腐蚀、不含颗粒(包括禁止含有冰粒等固体颗粒)、油分。
介质温度必须控制在 0 ~ 50 ℃之间;不得让固体异物进入泵内!
选型注意
1、选型特别注意:泵的抽气口、排气口均可带大负载,甚至完全堵塞(经济版除外),均属正常工作;但是,抽气口施加的负载不能超过泵的MAX真空度(MAX负压),排气口施加的负载不能超过泵的MAX安全输出压力(正压);注意:FLY经济版不可完全堵死排气口(因其MAX安全输出压力<极限输出压力,或极限输出压力较低);除非配备对应正压值的安全阀;否则请选择标准版及以上版本!
2、关于低电磁干扰型:如果系统配有精密电路(如单片机等)控制微型泵的运行,可直接使用该微型气泵无刷电机版本,属于低电磁干扰产品。
3、真空度值越小抽吸能力越强,详见微型真空泵常识。
4、如无特别说明,在20℃、标准大气压下的峰值流量,我们全部简称“流量”。
产品材质
经济版、标准版介质接触到的材料:增强尼龙、三元乙丙橡胶、硅胶。
低噪标准版介质接触到的材料:增强尼龙、三元乙丙橡胶、硅胶,环氧丙烯酸酯(EA)。
如介质特殊,请根据接触材料自行判断泵对输送介质的耐受性。
过滤
当泵工作一段时间后,输送介质中含有的固体杂质会积累在泵腔内部,破坏泵的气密性,使流量和真空度下降,在泵入口一定要配过滤器。实践表明,一般我们认为很清洁的气体中仍然含有粉尘杂质,也需要过滤,确保泵内部的精密气密性元件正常工作。过滤器使用一段时间后,因附着了杂质而阻力增大,使系统的流量和真空度明显下降,应立即更换过滤器。过滤器的寿命视介质的清洁程度而定。
低脉动曲线图

参数曲线图
(1)FLYM1-AH4EA-PE2压力-流量曲线

(2)FLYM1-AH4EA-PE4压力-流量曲线

(3)FLYM1-AH4EA-PB2压力-流量曲线

(4)FLYM1-AH4EA-PB4压力-流量曲线

(5)FLYN1-AH4EA-PB2压力-流量曲线

(6))FLYN1-AH4EA-PB4压力-流量曲线

(7)FLYS1-AH4EA-PE2压力-流量曲线

(8)FLYS1-AH4EA-PE4压力-流量曲线

注:
1)以上曲线,不同微型泵之间存在一定的个体差异,该曲线为统计数值,仅作为用户确认工作点技术参考,不作为产品验收依据!
2)曲线MAX平均流量会略低于标称值,是由于测试管路元件有阻力,从而导致流量的衰减。
无刷版信号线说明
序号 | 引线颜色 | 功能 | 动作电平 | 信号说明 |
1 | 白 | 启停控制线,控制电机启动、停止 | 悬空或高电平(2~5V)启动, 接地或低电平(0~0.8V)停止; | 控制泵启停可以用该信号线,特别是频繁启停。若不使用该线,则必须绝缘包扎。 |
2 | 蓝 | 脉宽调速(PWM)线 | 0V≤低电平≤0.8V | 占空比调速(低电平有效),通过改变占空比来改变电机转速、调节流量。 |
3 | 黄 | FG反馈信号(电机转速反馈信号,脉冲信号)。 | 0V<低电平<0.5V | 电机每转一周输出3个脉冲,FG信号的MAX额定电流为2mA。 |
4 | 橙 | 该线为电机自带线,对本品无影响。 | 绝缘包扎; | |
5 | 黑 | 电源线负极 | ||
6 | 红 | 电源线正极 | DC 12V±10%,DC 24V±5% |
如果无需调速及转速反馈,可按如下接线:
电机引线 | 连接方法 | 备注 |
红线 | 电源正极,电压严格按接线说明! | 若无需启停控制、转速反馈,请将白、黄、橙线分别绝缘包扎。 |
蓝线 | 电源负极 | |
黑线 |
警示:
1、禁止热拔插!严禁在通电情况下直接拔插电机插头!所有的电机信号线的断开或连接动作必须是在彻底断开电源的情况下进行!严禁将电源正负极接反,否则将烧毁电机,将导致保修失效!
2、请完全按上表连接!否则可能烧毁,造成保修失效!
3、焊接电机引线时必须迅速,否则高温会损坏电机。
电机启动电流说明

1、启动电流:
型号 | 电压 (V DC) | MAX启动电流 (A) | 持续时间 (ms) |
FLYM1-AH4EA-PE2 | 12 | ≤4.5 | / |
FLYM1-AH4EA-PE4 | 24 | ≤3.0 | |
FLYM1-AH4EA-PB2 | 12 | ≤4.5 | |
FLYM1-AH4EA-PB4 | 24 | ≤3.0 | |
FLYN1-AH4EA-PB2 | 12 | ≤4.5 | |
FLYN1-AH4EA-PB4 | 24 | ≤3.0 | |
FLYS1-AH4EA-PE2 | 12 | ≤5.0 | |
FLYS1-AH4EA-PE4 | 24 | ≤3.0 | |
FLYx1-AM6EA-Pxx | 以上所有FLY型号均可配备内螺纹气咀M6(H4改为M6即可),参数与H4型号一致。 | ||
2、电机启动电流为电机处于静止状态,突然接通额定电压时产生的MAX电流。该电流是电机生产商决定的电机的基本参数,且同一型号泵也有个体差异。
3、鉴于该系列泵的启动特性,可采用对应电压的各种电池,也可采用开关直流电源,但电源质量必须可靠、抗浪涌能力强、干净(不能有杂波干扰)、一定要有“稳压”功能;在采用一台电源仅给一台泵供电的基本原则下,建议按如下原则选择电源:
a.如客户从米兰官网公司选配电源,则可选配JF-24V3A(约72W,过载保护约5-5.5A,24V型号)、12V5A(约60W,过载保护约6.5-7A,12V型号)及以上的开关直流稳压电源(米兰官网公司的电源属专门定做,并都做过zhuanye测试)!!
b.如客户自行配备电源,因市场上的电源质量、售价等差别较大,为避免出问题乃至对泵造成损坏,强烈建议多留些余量,应该配备24V6-7A(24V型号)、12V8-10A(12V型号)及以上开关直流稳压电源。
4、在使用中接通电机的同时接通其他的附属电路,如:调速、控制...等,会产生额外的浪涌电流叠加在电机的启动电流上,使启动电流增加很多,则电源的选择余量应该进一步加大!一定要保证配给泵的独立电源,或者电源支路的MAX允许电流,大于泵的MAX瞬间启动电流!否则可能导致泵电机烧毁,将不属于正常免费质保范围,特此提醒!
注意事项
1.该产品不是防爆泵,不能用于易燃易爆环境(如密闭不通风、充满了易燃易爆气体、液体等的氛围)!
2.异物不得落入气咀,抽取的介质中不能有固体颗粒,否则将损坏微型泵!
3.本产品用于抽取有害气体时,必须进行再次密封,确保人身安全!
4.配套管路元件及容器必须有足够的强度,确保人身安全!
5.内置精密控制电路,需配套品质开关电源或直流稳压电源使用!
6.禁止热插拔!无刷版严禁在带电的情况下连接或断开电机引线!所有连接或断开动作必须在彻底切断电源的情况下进行!否则将烧毁电机!
7.接触者应采取防静电措施!
8.请严格按照该说明书要求操作!
三维示意图
1、稳流微型气泵FLYM1标准版-外形尺寸图(单位:mm)

2、稳流微型气泵FLYN1低噪标准版-外形尺寸图(单位:mm)

3、稳流微型气泵FLYS1经济版-外形尺寸图(单位:mm)

4、稳流微型气泵FLYM1经济版-外形尺寸图(单位:mm)

5、稳流微型气泵FLYx1-AM6内螺纹接头版-外形尺寸图(单位:mm)

该系列微型泵随货配件如下表:
配件 | 详情 |
| 1.过滤器:1个(赠送) (1)FLY系列应该配:“小号过滤器GA6.0”; (2)用途:过滤气体中的粉尘杂质,确保泵内部的精密气密性元件正常工作,有效延长泵的寿命。 (3)允许工作介质温度:0°C~80°C; (4)使用说明:过滤器连接泵的抽气端。 |
| 2.硅胶管:(选配件,需要另外收费) 建议接管(mm):∮4×∮8硅胶管 |
| 3.开关直流稳压电源:(选配件,需要另外收费) 规格: 12V5A(12V型号) 24V3A(24V型号) |
产品展示
扫码关注微信
公众号较新动态
联系我们