
10余年专业微型泵制造
产品展示
产品分类
Product Catalog
低温微型气泵
F15X2双头泵横空出世,体积更小(仅汽车钥匙大小),参数更高更可靠:
1)负压MAX可达-75kPa!米兰官网F15X2创米兰官网小体积微型真空泵历史新高!
米兰官网集10余年生产微型真空泵、微型气泵经验大成,创造性推出米兰官网所有微型真空泵产品,小体积中负压MAX产品!
2)米兰官网F15X2系列—高负压、小流量、耐腐、耐低温、电压、成本等实力悍将:
(1)负压范围:-45~-75kPa!
(2)流量范围:2.6~3.5L/min!
(3)兼顾耐腐、低温、长寿命无刷、调速等型号应有尽有——总有一款适合您!
(4)5V/12V可选;
低温微型气泵
F15X2双头泵横空出世,体积更小(仅汽车钥匙大小),参数更高更可靠:
1)负压MAX可达-75kPa!米兰官网F15X2创米兰官网小体积微型真空泵历史新高!
米兰官网集10余年生产微型真空泵、微型气泵经验大成,创造性推出米兰官网所有微型真空泵产品,小体积中负压MAX产品!
2)米兰官网F15X2系列—高负压、小流量、耐腐、耐低温、电压、成本等实力悍将:
(1)负压范围:-45~-75kPa!
(2)流量范围:2.6~3.5L/min!
(3)兼顾耐腐、低温、长寿命无刷、调速等型号应有尽有——总有一款适合您!
(4)5V/12V可选;
产品优势


低温微型气泵
1、【参数优势—小体积双头泵产品横空出世!】
1)米兰官网集10余年生产微型真空泵、微型气泵经验大成,F15X2双头泵横空出世,体积更小(仅汽车钥匙大小),参数更高:
(1)负压更高:MAX负压可达-75kPa!系米兰官网小体积微型真空泵中,负压MAX产品!
(2)正压更高:MAX正压可达100kPa!系米兰官网小体积微型气泵中,正压MAX产品!
2)米兰官网F15X2系列—高负压、中大流量、耐腐、耐高低温、多电压、成本优等实力悍将:
(1)负压范围:-45~-75kPa!
(2)流量范围:2.6~3.5L/min!
(3)兼顾耐腐、高低温、长寿命无刷、调速等型号应有尽有——总有一款适合您!
(4)5V/12V可选
2、【性能优势】
1)低功耗高效率优势:米兰官网F15X2系列,普遍电流功耗较低,采用品质无刷电机!
2)F15X2系列,可全压力范围持续运行,MAX正压或MAX负压下重启,轻松拿捏(行业内这个参数下,还能长时间稳定工作的很少,往往只能在较小的压力下重启和连续运行)!
3)可搭配锂电池供电模块、实现移动、野外充电、供电(详询客服);
3、【定做优势】
1)定做耐腐FKM隔膜和阀门;
2)定做低温环境型:可在-30~0℃或-20~0℃低温环境运行;
3)定做高温介质型:至高可耐100℃高温气体;
4、【场景优势】
1)气体检测、采样分析:
(1)专为低功率场合优化,特别适合配套气体检测设备生产厂家,例如电池供电、流量3.5L/min以内便携式采样仪等;
(2)若检测、采样腐蚀性气体,还可定做FKM氟橡胶耐腐材质;
2)气体循环、远距离传输:气密性良好,具备很低的气体泄露率,可用于气体运输和循环:实测50米管路传输,几乎无流量衰减(管路中各种额外负载元件很少,如无变径阀门、弯折等情况下)...
5、米兰官网抽打两用微型气泵F15X2,迷你体积、重约80克,属于工业级迷你微型气泵;
6、迷你微型气泵F15X2,充分考虑客户需求,推出无刷标准版、还可定做耐腐型号:
1)无刷标准版(F15X2-A):配备12V/5V品质无刷电机,电机寿命可达10K小时,满负载下连续运转寿命≥6K小时,非常适合频繁起停或长期连续运转工况!还支持PWM调速、FG电机转速反馈,一台F15X2可满足多个不同参数场景;
2)为降低客户研发测试成本,米兰官网充分替客户考虑,现推出F15X2定做服务(详见上面定做优势),1台也可以定做了,详询客服......
7、允许介质富含水汽(详见介质要求),可昼夜不停长期连续运转,无油无污染、免维护;
8、抽、排气端可带大负载,甚至堵死也属于正常工作;无刷版对控制电路几乎无干扰!
关键参数
型号 | 额定 电压 | 负载 电流 | 功率 | 流量(L/min) | MAX相对真空度 | MAX输出压力 | |
|---|---|---|---|---|---|---|---|
(V DC) | (A) | (W) | 峰值 流量 | 平均 流量 | (kPa) | (kPa) | |
无刷标准版 | EA材质-A型直流无刷电机(标配),隔膜、单向阀:EPDM,泵头:PA | ||||||
F15P2-AH3EA-PB5 | 5 | ≤0.4 | ≤2.0 | ≥2.6 | ≥1.8 | ≥-75 | ≥100 |
F15P2-AH3EA-PB2 | 12 | ≤0.2 | ≤2.4 | ≥2.6 | ≥1.8 | ||
F15H2-AH3EA-PB5 | 5 | ≤0.4 | ≤2.0 | ≥3.5 | ≥2.2 | ≥-45 | ≥45 |
F15H2-AH3EA-PB2 | 12 | ≤0.2 | ≤2.4 | ≥3.2 | ≥2.0 | ||
无刷标准版 | FA材质-A型直流无刷电机(标配),隔膜、单向阀:FKM,泵头:PA | ||||||
F15P2-AH3FA-PB5 | 5 | ≤0.4 | ≤2.0 | ≥2.6 | ≥1.8 | ≥-75 | ≥100 |
F15P2-AH3FA-PB2 | 12 | ≤0.2 | ≤2.4 | ≥2.6 | ≥1.8 | ||
F15H2-AH3FA-PB5 | 5 | ≤0.4 | ≤2.0 | ≥3.5 | ≥2.2 | ≥-45 | ≥45 |
F15H2-AH3FA-PB2 | 12 | ≤0.2 | ≤2.4 | ≥3.2 | ≥2.0 | ||
对比:标准大气压 | 0 | 0 | |||||
★特别说明:本表格参数为正式上市前工程样机预览参数,仅供参考,正式参数可能调整。 | |||||||
注:
1、所有规格均使用直流电源(交流转直流变换器即常见的开关直流稳压电源),所需直流稳压电源为选配件,客户需自行配备,或也可从我公司购买定做好的开关直流稳压电源。
2、该系列微型泵启动电流稍大,为保证泵的正常运转,建议所配直流稳压电源“过流保护电流”:
1)F15x2-AH3xx-PB5应超过0.66A,例如 5V1.5A以上;
2)F15X2-AH3xx-PB2应超过0.95A,例如 12V2A以上;
客户配备的开关直流电源(过载能力要强);否则可能造成泵达不到额定参数、无法启动甚至烧毁!(注意,此类故障不属于正常质保范围!),强烈推荐我司专门定做的JF-12V1.25A/JF-5V2A电源。
3、电压允许范围:
无刷电机5V/12V型号:5V±10%,12V±10%;
注意:不建议超电压工作,会让流量变大,但寿命缩短,有可能失去正常的免费质保!
4、【型号及代号说明】:
1)F—抽打两用微型气泵系列;15是内部编号;
2)P—高压力(高正压);H—大流量(中压力)
3)1—单泵头;2—双泵头
4)A—无刷电机A型(标准版默认标配);
5)H3-3mm宝塔接头(默认中低压场合,接软管);
6)EA—默认材质组合:EPDM隔膜、阀片及PA泵头;
7)控制方式:P-无刷电机PWM调速控制;
8)版本简述:B—标准版;
9)工作电压:5-5V,2-12V DC,从F40开始,微型泵型号不再出现类似描述:“XXX-24V/XXX-12V”
10)特殊定做:如高低温环境型/高温介质型:
DH1:低温环境1型-20℃-0℃,不需加热器;DH2:低温环境2型-30℃-0℃;会配加热器;
GH1:高温环境1型0℃-60℃;
GJ1:高温介质1型0℃-80℃;GJ2:高温介质2型0℃-100℃(需定做成FA组合);
5、F15X2系列标准版(简称B);用对应“B”表明。订购时,请一定注明具体版本后缀及代码!
6、【实例说明】:
(1)F15P2-AH3EA-PB5:代表微型气泵F15,高压力、双泵头,A型无刷电机,外径3mm宝塔接头;EPDM隔膜、阀片及PA泵头;PWM调速控制,标准版,5V DC供电;
(2)F15H2-AH3FA-PB2:代表微型气泵F15,大流量中压力、双泵头,A型无刷电机,外径3mm宝塔接头;FKM隔膜、阀片及PA泵头,耐腐或耐高温介质100℃;PWM调速控制,标准版,12V DC供电;
7、如无特别说明,技术参数均是在20℃、标准大气压101.325kPa的条件下的测定值。对于其它参数规格的产品,可以联系定做。
8、表中峰值流量是指用玻璃转子流量计(去掉了针型阀)测得的流量值,平均流量是用皂膜流量计测得的流量值(推荐以平均流量为准);通常不建议使用质量流量计进行测量(若一定要用,建议:至低需要每10ms采样1次,也即每秒采样100次,否则可能因采样频率过低等原因,造成较大误差(这不是微型泵的问题))。
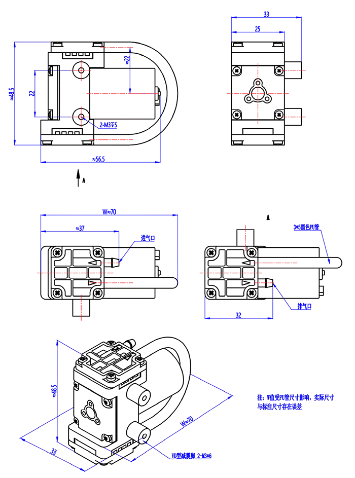
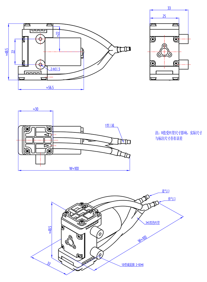
9、【体积、接管】:
1)泵体积(长x宽x高,单位mm)、默认接头为H3宝塔,重量约80克:
(1)F15P2:约70x25x48.5(不含VD减震脚);
(2)F15H2:约100x25x48.5(不含VD减震脚);
2)抽、排气嘴尺寸(mm):ø2(内孔)×ø4.3(外径),接口形状:直插式(抽、排气嘴一样);
3)建议接管(mm):ø3×ø6硅胶管;重量:详见参数表;
4)抽排气嘴一样(但有三角形方向指示和IN、OUT标识区分),盖有红色防尘帽,请使用前取下。
版本说明
性能 | 无刷电机标准版 |
调速、控制功能 | PWM、FG反馈、频繁启停 |
保护功能 | 堵转、过流、反接 |
调速器 | TS2-PV2/5 |
工作环境温度 | 0℃ ~ 50 ℃(常温型) -20℃ ~ 0 ℃(低温环境1型) -30℃ ~ 0 ℃(低温环境2型) |
可靠性寿命说明
型号 | 寿命值(小时) | 标准版 |
F15X2 | 满载寿命 | 6000* |
空载寿命 | 8000* | |
电机寿命 | 10000* |
产品寿命测试说明:
1、满载寿命测试工况:抽气口直通大气,封堵泵排气口,排气压力调节为MAX输出压力,使泵长期连续运转;
2、空载寿命测试工况:泵抽气口、排气口直通大气,使泵工作在常压下,24小时不停机连续运转;
3、电机寿命测试工况:在良好通风及散热的条件下,电机不带负载24小时不停机连续运转;
4、寿命测试环境条件:在清洁无腐蚀实验室内,环境温度5~33℃随气候波动,环境相对湿度50%~85%,随气候波动;
5、*代表设计样机参数,正式产品寿命正在测试中;
6、实验数据来源:米兰官网公司、原材料供应商实验室。
工况环境
1、该系列产品按可承受的工作环境温度分为低温环境型、常温环境型和高温环境型三种。未特别注明的为常温环境型。低温环境型、高温环境型需定做并特别注明,如F15H2-AxxEA-PB2DH2。
类 别 | 允许的工作环境温度范围 | 注 意 事 项 |
低温环境1型(后缀DH1) | -20℃~0℃(无需加热器) | 禁止介质中含有冰粒等固体颗粒! |
低温环境2型(后缀DH2) | -30℃~0℃(会配加热器) | |
常温环境型(默认无后缀) | 0℃~50℃ | |
高温环境1型(后缀GH1) | 0℃~60℃ |
工作环境的相对湿度≤90%,无结露。泵不宜在室外日晒,应在清洁、通风、无腐蚀的环境中工作。
2、介质:输送介质气体允许富含水汽,非耐腐型必须无腐蚀、不含颗粒(包括禁止含有冰粒等固体颗粒)、油分、粘性;耐腐型号不含颗粒(包括禁止含有冰粒等固体颗粒)、油分、粘性;不得让固体异物进入泵内!
该系列产品按可承受的介质温度分为常温介质型、高温介质1型和高温介质2型3种。未特别注明的为常温介质型。高温介质型需定做并特别注明,如F15P2-AxxFA-PB5GJ2。
类 别 | 允许的介质温度范围 | 注 意 事 项 |
常温介质型(默认无后缀) | 0℃~50℃ | 禁止介质中含有冰粒等固体颗粒! |
高温介质1型(后缀GJ1) | 0℃~80℃ | |
高温介质2型(后缀GJ2,需定做FA材质,且需更换PU管为耐高温的硅胶管) | 0℃~100℃ |
选型注意
1、泵的抽气口、排气口均可带大负载,甚至完全堵塞,均属正常工作;但是,抽气口施加的负载不能超过泵的MAX真空度(MAX负压),排气口施加的负载不能超过泵的MAX打气压力(MAX正压)。
2、关于低电磁干扰型:如果系统配有精密电路(如单片机等)控制微型泵的运行,可直接使用该微型气泵无刷电机版本,属于低电磁干扰产品。
3、真空度值越小抽吸能力越强,详见微型真空泵常识。
4、如无特别说明,在20℃、标准大气压下的峰值流量,我们全部简称“流量”。
配置材质
材质选项 | 标配 | 选配 |
泵头 | PA | / |
隔膜 | EPDM | FKM |
单向阀 | EPDM | FKM |
电机选项 | 标准版 | 标准版 |
电机类型 | A型无刷电机 | / |
额定电压 | 12V/5V DC | / |
接头选项 | 标配 | 选配 |
接头类型 | H3宝塔接头 | / |
泵头选项 | 标配 | 选配 |
泵头类型 | 标准泵头 | 仅低温环境2型因需配置加热板,泵体后盖有变化! |
接管选项 | 标准版非耐腐型 | 标准版耐腐型 |
接管材质 | PU | 需客户自行配置适合H3宝塔耐腐材质接管 |
噪音
1、虽然生产装配时,米兰官网要求微型泵品质越高,噪音数值应越低,但因噪音受零配件个体差异、环境、测试仪器等多种因素影响,故对于“微型泵噪音”,米兰官网不做为质量承诺指标,购买方不能以此做为质量验收标准,敬请谅解!
2、当有大气流通过泵时噪音较大,抽气接近真空时噪音将减小。如果把消音器接入管路系统,会产生一定消音效果。根据管路系统的具体情况,消音效果有差异。
过滤
当泵工作一段时间后,输送介质中含有的固体杂质会积累在泵腔内部,破坏泵的气密性,使流量和真空度下降,在泵入口一定要配过滤器。实践表明,一般我们认为很清洁的气体中仍然含有粉尘杂质,也需要过滤,确保泵内部的精密气密性元件正常工作。过滤器使用一段时间后,因附着了杂质而阻力增大,使系统的流量和真空度明显下降,应立即更换过滤器。过滤器的寿命视介质的清洁程度而定。
参数曲线
1、压力-流量曲线,不同微型泵之间存在一定的个体差异,该曲线为统计数值,仅作为用户确认工作点技术参考,其他版本如以此做为参考,误差范围可能更大,不作为产品验收依据!
2、曲线MAX平均流量会略低于标称值,是由于测试管路元件有阻力,从而导致流量的衰减。
暂无
F15X2配置A型无刷电机的接线
1.信号定义
序号 | 引脚 颜色 | 信号 名称 | 功能 | 信号定义 | 信号说明 |
1 | 红 | Vm | 电源正极 | DC12V(±10%); | 对应12V/5V电机,电压不可超过MAX电压范围,否则会烧坏电机,可能影响质保! |
2 | 黄 | FG | FG反馈信号(电机转速反馈信号、脉冲信号) | 输出: | A型直流无刷电机: |
3 | 橙 | FR | 对本型号无功能 | 建议接地或绝缘包扎 | |
4 | 黑 | GND | 电源负极,地 | Ground | |
5 | 蓝 | PWM | 脉宽调速 | 输入: | 通过调节PWM的占空比来改变电机转速、调节流量,低电平有效; |
2.如果无需调速和转速反馈,可以按如下接线:
电机引线 | 信号定义 | 其他说明 |
红 | 电源正极 | 若无需调速和转速反馈,请将黄、橙线都绝缘包扎;泵将以额定MAX转速运转。 |
黑 | 电源负极 | |
蓝 |
3.逻辑接线图
此为基本功能产品的逻辑接线图,接线图可能会随着功能增加而更新!
(1)定速简易接线法

说明:若无需调速和转速反馈,红线接电源正极,黑、蓝线接电源负极;黄、橙线绝缘包扎,泵将以额定MAX转速工作。
(2)PWM调速接线法

说明:当需使用PWM调速功能时,需使用支持PWM信号输出的信号源(函数信号发生器、MCU、PLC等控制器),将信号源输出连接蓝色PWM输入线缆,并将PWM信号源地与直流电源地进行连接,黄、橙线绝缘包扎
调速控制接线实例1:
对F15x2-Axxx-PBx(可简称F15x2-A,A代表A型无刷电机)进行PWM调速,但无需FG反馈:
1)用上位机(信号发生器)输出一个PWM方波信号,高电平为5V、必须设置直流偏置电压为2.5V(相当于设置低电平为0V),来保证不出现负电压(负电压会烧毁泵的电机!),频率固定在15kHz;
2)信号发生器正极接F15A泵的蓝线、负极接黑线(电源负极,地);
3)初始低电平占空比≥80%为宜(过低可能因负载较大启动不了,以为是不能调速或电机故障),后续逐渐降低或升高——电机转速跟低电平的占空比成正比);
4)可调节占空比改变电机转速,低电平有效(即低电平占空比与泵转速成正比,高电平占空比成反比)......
(3)PWM调速、FG反馈(闭环控制)接线法

说明:当需使用PWM调速功能,并通过FG信号监控泵运转情况或进行闭环反馈控制时,需使用支持PWM信号输出、FG信号输入的上位控制器(MCU、PLC、上位机等控制器),将信号源输出连接蓝色PWM输入线缆,并将PWM信号源地与直流电源地进行连接,橙色线绝缘包扎,黄色FG反馈信号输出线缆再接入上位控制器的FG信号输入端,通过上位机检测FG信号监测电机转速,并控制PWM信号输出进行闭环转速控制。
安装说明
1、震动敏感场合:
F15X2出厂默认赠送2个VD型减震脚(金属内螺纹圆柱橡胶脚)+2个M3*6金属螺钉:
(1)为减少泵运行时噪音和震动,米兰官网建议将泵体通过减震脚固定在设备机箱或面板上。
(2)每个减震脚上带有1个M3安装孔(深度5mm),可用赠送M3*6的螺钉进行安装(参考下图);
2、空间狭窄场合:
(1)泵的底部已预留2个安装孔(上图中被VD型减震脚遮挡处),如因安装空间过于狭小,客户希望去掉VD型减震脚,可利用这2个安装孔安装;但需下单时提前说明(不再赠送VD型减震脚+螺钉);
(2)不能已购买默认出厂有VD型减震脚的F15X2,来自行拆卸掉减震脚安装!如因拆卸减震脚导致泵体安装孔损坏,可能导致免费保修失效!
(3)可用ST3*(X+4)平尾带垫自攻螺钉安装,X为安装材料厚度;例如:板厚4mm,则选用ST3*8平尾自攻螺钉安装。
【注意】
客户需要根据实际使用中的安装板厚度不同,有可能长度不够导致无法使用,需客户“自行购买”足够长度的对应规格螺钉,特此说明!
注意事项
1.本产品无防水、防尘、防爆功能,不能在易燃易爆环境中使用!
2.异物不得落入气咀,抽取的介质中不能有固体颗粒,否则将损坏微型泵!
3.焊接电机引线时必须迅速,否则高温会损坏电机。
4.本产品用于抽取有害气体时,必须进行再次密封,确保人身安全!
5.配套管路元件及容器必须有足够的强度,确保人身安全!
6.抽取有毒有害、腐蚀性、生物危害性及其他危险介质前,需对泵的密封性进行测试和周期性例行检查,或进行二次密封以确保安全。
7.电气连接线缆应远离发热源并对接头及线缆做好绝缘保护!接触者应采取防静电措施!
8.请严格按照该说明书要求操作!
9.在进行彻底的无害化处理前,我司基于员工人身安全保护和社会安全理由,不接受抽取过可对人身危害造成威胁的有毒、有害、腐蚀性产品的返厂维修服务,如有相关产品维修需求,请签署无害化声明表并与我司提前联系!
三维示意图
1、F15P2高正负压无刷微型气泵-外形尺寸图(以下图示单位:mm)

2、F15H2大流量无刷微型气泵-外形尺寸图(以下图示单位:mm)

安装说明:
泵上自带的“所有”螺钉不能拆卸,会损坏泵,将导致免费保修失效!
该系列微型泵随货配件如下表:
配件 | 详情 |
| 1.过滤器:1个(赠送) (1)F15系列应该配:“特小号过滤器” |
| 2.硅胶管:(选配件,需要另外收费) 建议接管(mm):∮3×∮6硅胶管 |
| 3.开关直流稳压电源:(选配件,需要另外收费) 规格: 规格:5V2A(5V泵) 规格:12V1.25A(12V泵) |
产品展示
扫码关注微信
公众号较新动态
联系我们