
10余年专业微型泵制造
产品展示
产品分类
Product Catalog
可靠自吸
微型自吸压力水泵PSP-N系列,自吸极快(1-3S)且稳定,吸程2.1米!MAX压力可到7.5bar,开口流量4.7升/分钟,属微型水泵中兼具压力、自吸、流量较高产品,性价比高!
泵体(材料:增强尼龙)与电机分离,工作介质不与电机接触,避免出现类似离心泵等其它泵使用久后,因液体进入电机而损坏的情况;
运转平稳、流量稳定、可以空转(空转时间不能超过 30 分钟),使用寿命长。
可靠自吸
微型自吸压力水泵PSP-N系列,自吸极快(1-3S)且稳定,吸程2.1米!MAX压力可到7.5bar,开口流量4.7升/分钟,属微型水泵中兼具压力、自吸、流量较高产品,性价比高!
泵体(材料:增强尼龙)与电机分离,工作介质不与电机接触,避免出现类似离心泵等其它泵使用久后,因液体进入电机而损坏的情况;
运转平稳、流量稳定、可以空转(空转时间不能超过 30 分钟),使用寿命长。
产品外观



产品特点
1、米兰官网PSP-N微型水泵,系畅销十多年的微型水泵PSP升级系列,结合米兰官网10余年微型水泵研发经验,和历年来客户的建议反馈,新开10余副更高精度模具,全方位进行了改造升级!
2、微型水泵PSP-N系列,在继承了PSP-X系列的优点上,着重对可靠性、防水性等细节进行了较大改进:
1)可靠性:
(1)采用更精密模具、选材等,电流、功耗、噪音更低,效率更高,让PSP-N的压力、流量稳定性进一步提升!
(2)升级为第3代微动开关,可耐更大的瞬间冲击电流(约15A),耐频繁启停可靠性优于原PSP系列(详询客服!)
(3)压力调整螺钉变成内六角,避免客户误操作产生故障;确需临时调整的,也有调压指示...
(4)过压保护内金属接插件,额外增加绝缘护套保护+定位紧固橡胶垫,进一步加强微动开关的连接可靠性...
2)防水性:
(1)微动开关除了1个螺钉外露(方便拆卸),内部连接件完全保护内嵌:金属接插件、调压螺钉等都在内部,锁紧螺钉被橡胶垫保护,更防水不易产生生锈,连接更可靠牢固不易脱落!
(2)顶盖和微动开关之间有橡胶垫及胶圈全密封保护;
3)其他细节:
(1)无缝钢管电机外壳喷塑防水、更精致的橡胶脚模具;
(2)新版防尘帽,细节设计更精致,保护更严实但也更易取/上....
以上细节彰显更高的档次!
3、微型水泵PSP-N,泵体自带直通凹槽+密封圈接头,且额外赠送90度变径宝塔接头,即可直连常见增强型水管,又可通过该旋转接头,将水管转到任意方向(360度旋转),适合内部安装空间有效场合.......
4、微型水泵PSP-N,超值赠送永不生锈的100目过滤器1个;可过滤直径≥0.25mm的颗粒杂质,保证泵的正常使用,减少故障发生,提高可靠性;
5、综合了自吸泵与化工泵的优点,采用耐腐蚀的多种材料合成,耐弱酸、耐弱碱、耐弱腐蚀;
6、泵体(材料:增强尼龙)与电机分离,工作介质不与电机接触,避免出现类似离心泵等其它泵使用久以后,因液体进入电机损坏的情况。
7、米兰官网PSP-N与其他厂家微型水泵(通常不能空转否则几秒钟就易烧毁)相比,可短时间空转(但空转时间建议不要超过30分钟);
8、米兰官网PSP-N,做工精致、体积小、重量轻、性能稳定、自带4个弹性更好的减震安装脚垫,降噪及方便安装。
可靠自吸
微型自吸压力水泵PSP-N系列,自吸极快(1-3S)且稳定,吸程2.1米!MAX压力可到7.5bar,开口流量4.7升/分钟,属微型水泵中兼具压力、自吸、流量较高产品,性价比高!
过压保护
米兰官网PSP-N自带第3代过压保护功能,能在负载超过泵的关断压力时,自动停机保护,低于关断压力后自动启动;耐频繁启停的高电流冲击(MAX15A),比原PSP系列更适合可能频繁启停场景(*详询客服)....
场合和用途
性价比较高,常用于移动、便携场合,如:农业航空喷雾、喷洒;工业高压补水、自吸水循环;水处理自吸采样、喷雾降温;也可广泛用于水转移、地毯、地面、工业设备等冲洗用途;
关键参数
型号 | 额定 电压 (V DC) | 负载电流 (A) | 功率 (W) | 开口流量 (L/min) | 吸程 (M) | MAX输出 压力 (Bar/MPa) | 体积 (MAX外形) (mm) | 重量 (Kg) |
PSP7050N | 12 | ≤5.5 | ≤66 | 4.7 | 约2.1 | 7.5/0.75 | 177×110×75 (含旋转接头) | 1.2 |
24 | ≤2.5 | ≤60 |
【参数说明】
1.开口流量:也叫“敞口流量”。
一般指水泵、液泵,特别是微型水泵、微型液泵在出水口没有压力(即没有受到阀门、喷嘴、变细的管子等等一类负载的阻力情况下,不需要泵输出相应的压力来克服这种阻力)时,也即“敞口”、“开口”时,泵能提供的MAX流量。
一旦存在如上的负载,泵的流量就会衰减,达不到MAX流量。但相应的,泵的输出压力也会增加,从而满足喷雾、增压、洗车、水循环、水转移、提升、冲洗等用途,广泛应用于实验室、环保、医疗等领域。一般的水泵都有一个流量-压力曲线(也叫Q-P曲线或Q-H曲线)。二者呈类似反比例的关系。
2.吸程:自吸的高度就叫“吸程”,也叫“MAX自吸高度”,单位一般是“米”。
即泵在不加引水的情况下,能自动将水吸上来的MAX高度(泵抽水口距离待抽液面的垂直距离)。米兰官网的微型水泵绝大部分都是自吸水泵,所标吸程均指这种情况。有些离心式的水泵就没有自吸能力,第一次使用必须加引水才行。有的隔膜水泵虽然也有自吸能力,但标的“吸程”往往与“进水管里全部是空气”下能抽起水的垂直高度有差距,这点请注意。
一旦存在如上的负载,泵的流量就会衰减,达不到MAX流量。但相应的,泵的输出压力也会增加,从而满足喷雾、增压、洗车、水循环、水转移、提升、冲洗等用途,广泛应用于实验室、环保、医疗等领域。一般的水泵都有一个流量-压力曲线(也叫Q-P曲线或Q-H曲线)。二者呈类似反比例的关系。
3.MAX输出压力:也叫“MAX关断压力”。
泵运行过程中,排水端受到阻力或接了大负载,就会表现出输出压力,来克服这种阻力,当这个压力到了一定程度,为避免压力过大造成泵内部元件损坏,随机的压力保护开关就会启动,让泵停机(带有过压保护型号)或自动泄压(带有泄压保护型号)。此时的压力就叫泵的“MAX输出压力”。例如PSP7050N的MAX输出压力可达7公斤,就是泵排水口接近堵死时才能达到的压力,而排水口什么负载都没接时,是达不到这么高的压力的。
4.其他参数
进、出水口尺寸(mm):
(1)泵体接:赠送的90度宝塔软管接头时:对外连接宝塔接头尺寸:ø6(内孔)×ø9.7(外径),接口形式:倒宝塔(阶梯式);
建议接管:内径<9mm 的水管(如内径8mm外径14mm的增强型水管(要有弹性)、硅胶管等,并用米兰官网赠送的卡箍固定出水口,耐压能力要高于水泵MAX压力,以免软管脱落或爆管;
(2)泵体接赠送的2分内丝接头时:
对外连接建议接管,G1/4英寸外螺纹硬管(如常见净水器等使用的2分外丝转快插接头,见上述彩图);
(3)泵体不接任何接头,只是利用泵体自带接头时:
接头尺寸:ø5.9(内孔)×ø12.2(外径),接口形式:直通内凹槽式(配有密封O型圈);
建议接管:内径<11mm 的水管(如内径10mm外径16mm的增强型水管(要有弹性)、硅胶管等,并用米兰官网赠送的卡箍固定出水口,耐压能力要高于水泵MAX压力,以免软管脱落或爆管;
注意:需要高压力时,要配大于承受压力的水管(多留些余量),避免水管胀破,保证安全!
电源配备说明
米兰官网直流水泵必须使用直流电源,所需开关直流稳压电源为选配件,客户需自行配备,也可从我公司购买定做好的电源。
开关直流稳压电源配备原则:
1.输入电压允许范围:12V泵±10%、24V泵±5%;
2.标称电流比泵的MAX电流大2-3倍以上,以免出现功率不足,引起的水泵吸程、流量、压力等参数达不到标称的情况;
3.实例:例如PSP7050N-24V,就应该配到24V5A(2.5*2=5.0A)或以上;否则易出现:泵动下就不动了(这时,电源指示灯变暗或熄灭)等故障现象。
选型、使用注意
1.该型号泵不能长期连续工作,视负载轻重,尽量连续工作时间不要超过约 30-60 分钟。负载越大,连续工作的时间应该越短!或者可以采取两台泵通过控制器,每隔一段时间就进行切换,让泵始终处于间断工作状态,从而在保持系统高压力的情况下,尽可能的延长泵寿命。
2.选型:如果该型号产品不能满足您的要求,请选择米兰官网其他微型水泵产品,如:
1)微型水气两用水泵:WHY系列等;
2)微型高压水泵:HSP系列等;
3)小型自吸水泵:BSP-S系列等;
4)微型大流量潜水泵:QC系列等。
流量压力曲线图
一般的隔膜式微型水泵,它的流量和输出压力并不是流量越大、压力越大的,而是呈现一种类似反比例的关系,即流量越小时,压力反而越大;压力越小,流量越大;微型水泵领域,是通过流量和扬程(即压力)之间的一个曲线关系图,来获取某一压力下,微型水泵的对应流量,或者反过来,已知流量,看对应压力,作为系统设计参考的。这个图就叫“流量压力曲线图(Q-P曲线图)”或者“流量扬程曲线图(Q-H曲线图)”一般微型高压水泵或自吸水泵等压力较高的,用前者;而微型水气两用泵、微型潜水泵等压力较低产品用后者。
对BSP48180来说,“流量”和“压力”两个参数呈类似反比例的关系,请参见下图:
(1)PSP-N-12V流量-压力(Q-P)曲线图:

(2)PSP-N-24V流量-压力(Q-P)曲线图:

当出水口压力达到压力开关关断阀值7.5公斤(比如在出水口安有阀门,且阀门完全关闭,泵出水口被堵死)时,流量MIN为0。此时,为避免压力过大,对米兰官网泵内部造成损坏,随泵的压力保护开关会起作用,使泵停机(此为正常现象)。当压力小于泵的关断压力时,泵又会自动重新启动;
当米兰官网水泵没带负载,或负载很小(如仅仅用做水循环,且管路很短,出水口没压力、未输出扬程时),流量才能达到MAX(约4.7L/M)。
随货配件
该系列微型水泵随货赠送配件如下表:
配件 | 详情 |
| 1.过滤器: (1)PSP-N系列应该配:“大号过滤器GA9.5” (2)用途:过滤液体中的悬浮物、颗粒、杂质等,确保泵正常工作,不会因颗粒杂质影响出现不自吸、参数不够等故障,保证可靠性和延长泵的寿命等......仅能用在泵的进水端,不可用于出水端。 (3)箭头指向为水流方向; 注意: 1.如果液体中含有的颗粒很细,则客户必须另外配置更高目数的过滤器,仅靠赠送过滤器可能无法满足泵正常使用要求,且要定期抽清水来冲洗泵内部,才能有效延长泵寿命。 2.如果对泵的流量要求较高,担心过滤器会导致流量衰减,且介质中不含有颗粒,也可以不使用该过滤器。 数量:1个 |
| 2.尼龙宝塔直角弯头: 【右接头】:宝塔(接外部软管),内径6mm,外径10mm; 建议接管:内径≤10mm软管 【下接头】:卡槽式,利用不锈钢插销固定在泵体上,可360度旋转; 数量:2个 |
| 3.尼龙内丝接头: 【上接头】:G1/4英制内螺纹(对外连接螺纹管); 【下接头】:卡槽式,利用不锈钢插销固定在泵体上,可360度旋转; 通径:5.7mm 数量:2个 |
| 4.金属卡箍(出水口用): 用途:固定软管(仅出水口选用宝塔直角弯头时,才免费赠送); 规格:10-16mm(可用螺丝刀调整范围); 数量:1个 |
使用范围:
广泛应用于农业(草坪、花园、植物喷雾、灌溉等)设备、通用工业设备、医药设备、化工设备;船舶、旅游车辆、专用车辆等移动式交通工具;清洗设备、及水处理设备等.....
应用实例:
1.解决车辆、船舶、游艇、船艇等在使用中的饮食、洗漱、沐浴、厕所、冲洗的用水。 例如:
1)高、中、低档客车卫生间的供水系统;
2)各种房车、野外宿营车、家庭休闲车的供水系统;
3)其他专用车辆,例如,采血车、救护车、电视转播车、勘察车、工程车等随车人员用水系统;
4)各种船舶、游艇供水系统。
2.家庭供水或水处理等。例如,节水型卫生间、水管增压系统等。
3.可为需要高压力的设备如汽车清洗,及其他需液体循环、转移、增压、喷射、提升、加速流动乃至计量的设备和系统配套。
注意事项
1.泵的工作环境:
环境温度:0~40℃,该微型水泵不是潜水泵,不能放入水中。泵不宜工作在湿度太大的环境中;
2.泵的工作介质:
无油、无强腐蚀、非强酸强碱、无固体颗粒的液体;
3.允许介质温度:
0~40℃,短时间允许60℃;
4.本产品为直流供电,严禁直接接220V交流电。
5.泵不宜在有压力的情况下长期连续工作:
详细:每次MAX连续工作时间不能超过约30-60分钟,负载越大,连续工作时间应该越短。在接有喷枪、喷嘴、很密的过滤网一类大负载时,每次连续使用时间尽量不要超过10-20分钟!
6.开、关泵注意:(前提:泵排水管路里接有阀门、喷枪一类大负载时)
开泵:给泵加电启动前,一定要预先打开加在米兰官网泵排口的阀门、喷枪等(即让排水管路处于畅通状态),再给泵加电。若排水管路处于堵死状态,泵一启动会被堵死,压力瞬间达到MAX值,就会触发压力开关,使泵停机,经常这样容易损坏泵,出现不动、不自吸、压力变小等故障!
关泵:应该先切断泵的电源,使之停机,再关闭阀门、喷枪一类负载,原因类似“开泵”。
开、关阀门、喷枪等的动作应该和缓,不宜过快,否则易损坏压力开关!
7.接有细喷枪(口径≤1~2mm,常用于洗车机、高压喷雾等应用时)注意:
除了遵循“开、关泵注意”外,在断电停泵后,应该多开关阀门或喷枪几次,释放掉压力。避免因泵的排水口长期承受高压,造成内部部件密封性被破坏,导致漏水、不自吸、压力小等故障!
8.泵空转不能超过30分钟;异物不得落入进出口内;
9.禁止擅自拆卸!否则不予保修!
10.【警告】:
该产品不是防爆泵,不能用于易燃易爆环境(如密闭不通风、充满了易燃易爆气体、液体等的氛围)!泵工作时,特别在增压时,必须确保管道、储水罐等所有元件有足够强度,确保人身安全!
11.请严格按照该说明书要求操作!
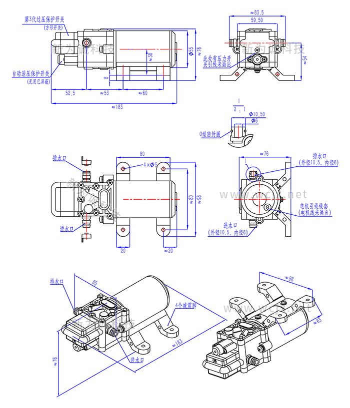
三维示意图
PSP-N外形尺寸图(单位:mm)



产品展示
扫码关注微信
公众号较新动态
联系我们